
———
→PRODUCT INTRODUCTION
TECHNICAL DATA



Continuous ball mill

Batch ball mill
OUR ADVANTAGES:
Provide various sizes of rubber lining for all brands ball mill,such as the Sacmi and Remas ball mills etc.
Provide customized rubber lining and installation services for both domestic and international customers.
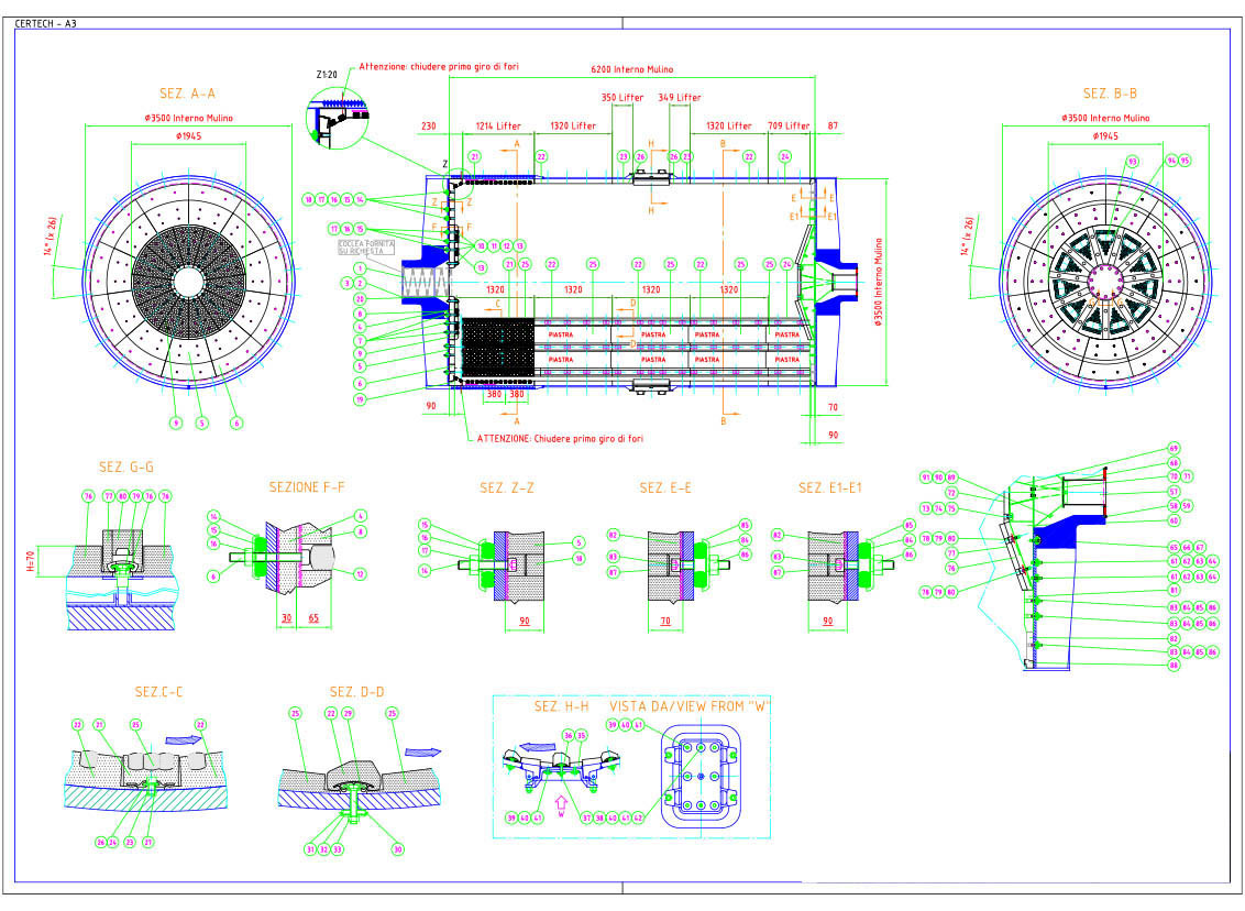
RUBBER LINING DRAWINGS IN BALL MILLS:






INSTALLATION PHOTOS:





Related suggestion